- ALUSTA, KORI, OHJAAMO, LISÄPEILIT
- ASUINOSAN TARVIKKEET
- AUTOKEMIKAALIT
- HOBBY VARAOSAT
- ILMASTOINTILAITTEET
- JÄÄKAAPIT, UUNIT, KYLMÄLAUKUT, GRILLIT
- KULJETUS JA SÄILYTYS
- KUORMAVERKOT
- KÄYMÄLÄT JA TARVIKKEET
- LÄMMITYS, KAASUJÄRJESTELMÄ
- MARKIISIT JA TELTAT
- PERÄKÄRRY/TRAILERI/ALUSTA
- Vetopäät
- Kuulakytkimet
- Vetopään varaosat
- Kitkakytkimet, lukot ja varaosat
- Aisat ja aisavaa'at
- Akselit
- Navat
- Iskunvaimentimet
- Jarrurummut
- Jarrukengät
- Jarruvaijerit
- Jarrujen ja rumpujen varaosat
- Laakerit/Laakerisarjat
- Tiivisteet
- Nokkapyörät/Kiinnikkeet
- Tukijalat/Nurkkatuet
- Renkaat/Vanteet
- Takavalot
- Etu/Sivuvalot/Rekisterikilvenvalot
- Pistokkeet/Adapterit
- Johtosarjat/Johdot
- Ajorampit
- Mäkikiilat
- Vinssit
- Hevostrailerit/Saranat/Lavalukot/Kaasujo
- Matkailuautot/Vaunut/Kärryt
- Keulatuet/Rullat
- CRC voitelu/Öljy/Pesuaineet
- RETKEILY JA LEIRIYTYMINEN
- SÄHKÖ, ELEKTRONIIKKA JA VALAISTUS
- TELEVISIOT JA TARVIKKEET
- TURVALLISUUS
- VAUNUNSIIRTIMET, MOVERIT
- VESIJÄRJESTELMÄ
- OUTLET
- UUTUUDET
- TARJOUKSESSA
Jaa tuote
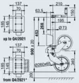
Nokkapyörä 800kg taittuva AL-KO nokkapyörä 800kg kiinteä asennus




Koko pituus 900+20mm
390,00 €
- Tuotekoodi: 1366155
- Suositushinta: 390,00
- Heti varastostaTuotteet lähetetään 1-2 arkipäivässä
- Toimituskulut alkaen 9,90 €Nouto varastolta0,00 €
kpl
Koko pituus 900+20mm
Lähellä-paketti
9,90 €
Kotijakelu - Matkahuolto
29,90 €
Rahti
70,00 €
Nouto varastolta
0,00 €
